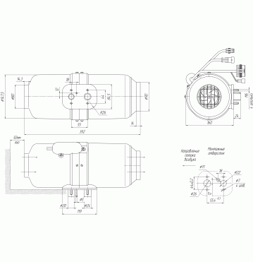
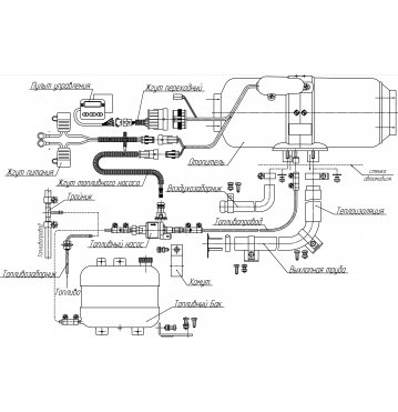
Отопитель воздушный марки "Планар 4ДМ2-12" с монтажным комплектом включает в себя все необходимое для установки почти на любое автотранспортное средство, обеспечит теплым воздухом салон или кузовное пространство автомобиля.
Данная продукция идеально подходит для поддержания комфортной температуры в автобусах, фургонах, легковых и грузовых автомобилях, катерах в холодное время года.Отопитель может быть оснащен выносным датчиком температуры для создания более комфортной обстановки.
Преимущества воздушных отопителей Планар:
-
Доступная цена
-
Малый расход топлива
-
Возможность работы по мощности либо по выбору температуры в салоне
-
Низкое потребление электроэнергии при отоплении салона во время продолжительной стоянки автомобиля с выключенным двигателем
-
Низкий уровень шума и увеличенный ресурс работы благодаря применению бесколлекторного электродвигателя собственной разработки
Постоянная автоматическая диагностика отопителя
| ПЛАНАР 4ДМ/4ДМ2-12, 24 | РЕЖИМЫ | ||
|---|---|---|---|
| ТЕХНИЧЕСКИЕ ХАРАКТЕРИСТИКИ |
СИЛЬНЫЙ
|
МАЛЫЙ
| |
| Теплопроизводительность, кВт |
3
|
1
|
|
| Расход топлива, л/час |
0,37
|
0,12
|
|
| Потребляемая мощность отопителя 12В (24В), Вт |
42 (38)
|
10 (9)
|
|
| Количество нагреваемого воздуха, м3/ч |
120
|
70
|
|
| Применяемое топливо |
дизельное топливо по ГОСТ305
|
||
| Номинальное напряжение питания, В |
12, 24
|
||
| Режим запуска и остановки |
Ручной
|
||
| Масса со всеми комплектующими, кг не более |
10
|
||
| Габариты упаковки, см |
570 х 350 х 350
|
||









