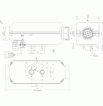
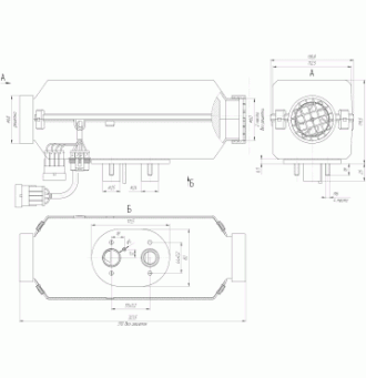
В 2014 году разработана и запущена в производство новая модель воздушного отопителя Планар 2Д, не имеющая аналогов российского производства. В отопителе применены собственные запатентованные разработки камеры сгорания, новые технологии управления запуском и свеча накаливания японского производства. По габаритным размерам Планар 2 сопоставим с отопителями импортного производства, также подходит по штатным местам крепления для замены отопителей других марок, в случае их дорогостоящего ремонта. Планар 2 выпускается в двух вариантах 12 и 24 вольта. Монтажный комплект включенный в состав упаковки включает все самое необходимое и позволяет установить отопитель почти на любое автотранспортное средство.
| ПЛАНАР 2Д-12, 24 | РЕЖИМЫ | |
|---|---|---|
| ТЕХНИЧЕСКИЕ ХАРАКТЕРИСТИКИ |
СИЛЬНЫЙ
|
МАЛЫЙ
|
| Теплопроизводительность, кВт |
2,0
|
0,8
|
| Расход топлива, л/час |
0,24
|
0,1
|
| Потребляемая мощность отопителя, Вт |
29
|
10
|
| Количество нагреваемого воздуха, м3/ч |
75
|
34
|
| Применяемое топливо |
дизельное топливо по ГОСТ305
|
|
| Номинальное напряжение питания, В |
12, 24
|
|
| Режим запуска и остановки |
Ручной
|
|
| Масса со всеми комплектующими, кг не более |
10
|
|



