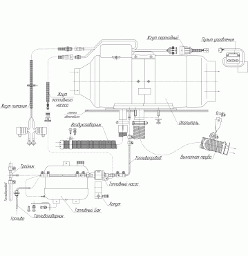
Воздушный отопитель марки "Планар 8ДМ-12" с монтажным комплектом включает в себя все необходимое для установки почти на любое автотранспортное ,обеспечит тепло зимой в кабине грузовика, салоне микроавтобуса и "вахтовике" без затрат ресурса двигателя автомобиля, при малом расходе топлива. Отопитель может быть оснащен выносным датчиком температуры для создания более комфортной обстановки.
| ТЕХНИЧЕСКИЕ ХАРАКТЕРИСТИКИ |
ПЛАНАР 8ДМ-24
|
ПЛАНАР 8ДМ-12
| ||
|---|---|---|---|---|
|
РЕЖИМЫ
| ||||
|
СИЛЬНЫЙ
|
МАЛЫЙ
|
СИЛЬНЫЙ
|
МАЛЫЙ
| |
| Теплопроизводительность, кВт |
7,5
|
2
|
6
|
2
|
| Расход топлива, л/час |
0,9
|
0,42
|
0,76
|
0,42
|
| Потребляемая мощность отопителя, Вт |
90
|
9
|
85
|
8
|
| Количество нагреваемого воздуха, м3/ч |
235
|
70
|
175
|
70
|
| Применяемое топливо |
дизельное топливо по ГОСТ305
|
|||
| Номинальное напряжение питания, В |
24
|
12
|
||
| Режим запуска и остановки |
Ручной
|
|||
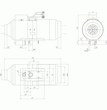
| Масса со всеми комплектующими, кг не более |
12
|
|||
| Габариты упаковки, см |
570 х 350 х 350
|
|||










